NC Rundtisch mit Kugelgetriebe
RBS type (Ø160)

Die Neueinführung des Tsudakoma Kugelgetriebe Systems.
Dadurch ist es möglich eine zweimal höhere Indexiergeschwindigkeit gegenüber herkömmlichen Modellen zu erzielen, bei hoher Produktivität verbunden mit höchsten Qualitätsansprüchen, dank spielfreiem Getriebe und hoher Steifigkeit.
Eigenschaften
- Hochgeschwindigkeitsindexierung
- Kein Spiel, hohe Steifigkeit
- Energie sparen durch hohe Übertragungseffizienz
- Extrem geringer Verschleiß
- Schnell ansprechender Klemmmechanismus. (Neu-Entwicklung)
Anwendung
- für die Serienfertigung kleiner Teile
- geeignet für Maschinen mit kompakter Baugröße
Spezifikationen
| Spezifikationen | Einheit: mm | RBS-160R |
|---|---|---|
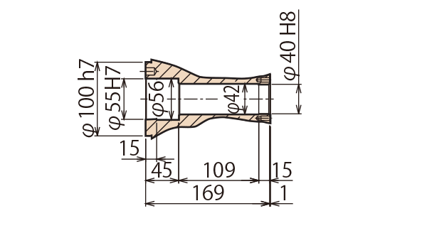
| Außendurchmesser der Spindle | ø100 | |
| Tischdurchmesser | ø160 | |
| Mittenhöhe | 160 | |
| Durchlass | ||
| ・Zentrieraufnahme | ø55H7 x 45 | |
| ・Bohrung | ø40 | |
| T-Nuten- breite | 12H8 | |
| Führungsblockbreite | 14h7 | |
| Servomotor (von Fanuc) | αiS4 | |
| Übertragbarer Trägheitsmoment auf Motorwelle | x10-3kg・m2 | 0.19 |
| Nettogewicht | kg | 60 |
| Untersetzungsverhältnis | 1/36 | |
| Maximale Tischdrehzahl | min-1 | 83.3 |
| (Motordrehzahl: 3,000min-1) | ||
| Teilgenauigkeit (kumulativ) |
arc sec | 15 |
| Klemmmethode | Pneumatisch | |
| Klemmkraft/0.49MPa paneumatisch | Nm | 250 (500)* |
| Maximales Werkstückgewicht | ||
| ・Vertikal (): mit Reitstock | kg | 100(200) |
*Modell mit erhöhter Klemmkraft






