Schlanke Bauweise mit Direktantrieb
RDS-200 (Smart DD)

Die schlanke Bauweise erlaubt die volle Ausnutzung des Arbeitsraumes mit den vielfältigen Eigenschaften des DD Motors bei hoher Tischdrehzahl.
Hervorragend geeignet für die Serienfertigung von Automobilteilen und Computerbauteilen auf kleinen Bearbeitungszentren.
Eigenschaften
- Höchstgeschwindigkeit 300min-1
- schlanke Bauform bei einer Breite von 164 mm
- Kompakte Drehdurchführung ist optional verfügbar
Anwendung
- Serienfertigung kleiner Teile
- Für kompakte Bearbeitungszentren
Spezifikationen
| Spezifikationen | Einheit: mm | RDS-200 |
|---|---|---|
| Außendurchmesser der Spindle | ø83 | |
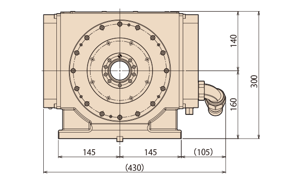
| Mittenhöhe | 160 | |
| Durchlass | ||
| ・Zentrieraufnahme | ø55H7 | |
| ・Bohrung | ø45 | |
| Servomotoren | Tsudakoma Developed | |
| Nettogewicht | kg | 65 |
| Untersetzungsverhältnis | 1/1 | |
| Maximale Tischdrehzahl | min-1 | 300 |
| Teilgenauigkeit | Winkelsek. | 20* |
| Wiederholgenauigkeit | Winkelsek. | 4 |
| Klemmmethode | Pneumatisch | |
| Klemmkraft/0.49MPa paneumatisch | Nm | 600 |
| Maximalgewicht Werkstück | kg | 100 |
*Pitch-Fehlerkorrektur aktiviert.






