Schwenkbarer Rundtisch mit Kugelgetriebe
TBS type (Ø130)

Hohe Antriebssteifigkeit ohne Spiel durch konstanten Vorspanndruck des Kugelgetriebes, was einen minimalen Verschleiß und eine lange Lebensdauer des Antriebssystem gewährleistet. Die hohe Antriebssteifigkeit des Kugelgetriebes erlaubt die Bearbeitung ohne Klemmung und minimiert somit die Zykluszeiten.
Eigenschaften
- Hochgeschwindigkeitsindexierung
- Kein Spiel, hohe Steifigkeit
- Energie sparen durch hohe Übertragungseffizienz
- Extrem geringer verschleiß
- Schnell ansprechender Klemmmechanismus
- Platzsparend
Anwendung
- Hochpräzise Teilebearbeitung
- Komplexe 5-Achsen Bearbeitung
- Für elektrische Komponenten wie z.B. Smartphone etc.
Spezifikationen
| Spezifikationen | Einheit: mm | TBS-130 | |
|---|---|---|---|
| Rotary axis | Tilting axis | ||
| Schwenkbereich | -30° to +110° | ||
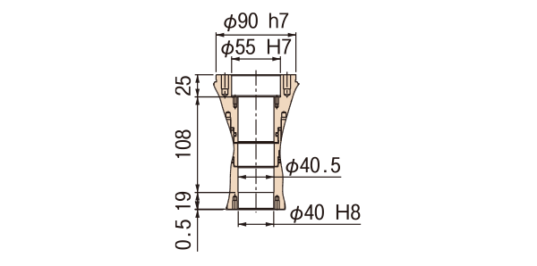
| Außendurchmesser der Spindle | Ø90h7 | ||
| Tischhöhe an 0° Position | 225 | ||
| Mittenhöhe bei 90° Position | 160 | ||
| Durchlass | |||
| ・Zentrieraufnahme | Ø55H7 | ||
| ・Bohrung | Ø40 | ||
| Servomotor (von Fanuc) | αiS2 | αiS2 | |
| Übertragbares Trägheitsmoment auf Motorwelle | x10-3kg・m2 | 0.121 | 0.14 |
| Nettogewicht | kg | 120 | |
| Untersetzungsverhältnis | 1/48 | 1/60 | |
| Maximale Tischdrehzahl | min-1 | 62.5 | 50 |
| (Motor: 3,000min-1) | |||
| Teilgenauigkeit (kumulativ) |
arc sec | 20 | |
| Schwenkgenauigkeit Neigung 0° bis 90° | arc sec | 30 | |
| Klemmmethode | Pneumatisch | ||
| Klemmkraft/0.49MPa paneumatisch | N・m | 250(500)* | 250(500)* |
| Maximales Werkstückgewicht | |||
| ・0°(horizontal) | kg | 35 | |
| ・0° bis 90° (geschwenkt) | kg | 20 | |
*Model mit erhöhter Klemmkraft







