Schwenkbarer Rundtisch - Mehrspindel-Modell
RTT-127,AA

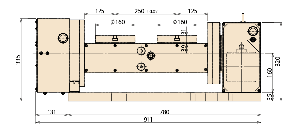
Kompakter NC Rundtisch mit 2 Spindeln der für BT30 Bearbeitungszentrum geeignet ist.
Der RTT-127 ist mit einen großeren Schwenkbereich ausgelegt um die Bearbeitung von Werkstücken mit größerem Durchmesser zu ermöglichen.
Eigenschaften
- kompakte Bauform
- großer Schwenkbereich
- Verbesserung der Produktivität durch 2 Spindeln
Anwendung
- Serienfertigung, Kleinteilebearbeitung
- BT30 Bearbeitungszentrum
- komplexe 5-Achsen Bearbeitung
- Für Teile der Automobilindustrie
Spezifikationen
| Spezifikationen | Einheit: mm | RTT-127,AA | |
|---|---|---|---|
| Rotary axis | Tilting axis | ||
| Schwenkbereich | -110° to +110° | ||
| Außendurchmesser der Spindle | Ø160 | ||
| Tischhöhe an 0° Position | 230 | ||
| Mittenhöhe bei 90° Position | 160 | ||
| Durchlass | |||
| ・Zentrieraufnahme | Ø35H7 | ||
| ・Bohrung | Ø35 | ||
| Servomotor (von Fanuc) | TPC-JR | TPC-JR | |
| Übertragbares Trägheitsmoment auf Motorwelle | x10-3kg・m2 | 0.472 | 0.33 |
| Nettogewicht | kg | 260 | |
| Untersetzungsverhältnis | 1/90 | 1/120 | |
| Maximale Tischdrehzahl | min-1 | 22.2 | 16.6 |
| (Motor: 2,000min-1) | |||
| Teilgenauigkeit (kumulativ) |
arc sec | 30 | |
| Schwenkgenauigkeit Neigung 0° bis 90° Bogen Sek | arc sec | 60 | |
| Klemmmethode | Pneumatisch | ||
| Klemmkraft/0.49MPa paneumatisch | Nm | - | 1000 |
| Maximales Werkstückgewicht | |||
| ・0°(horizontal) | kg | 40 | |
| ・0° bis 90° (Schwenken) | kg | 40 | |






