NC-Rundtisch
RWA type (ø160)

Bei der RWA-Serie, Nachfolger der erfolgreichen RNA-Baureihe, handelt es sich um ein Premium Produkt aus dem Hause Tsudakoma. Vielseitig einsetzbar auf allen gängigen Maschinen, vom Bearbeitungszentrum bis zum Bohr - u. Gewindeschneidzentrum. Bei dieser Rundtisch - Serie - erhalten Sie die Möglichkeit Ihre Kosten effizient zu gestalten, die Produktivität zu steigern und in höchster Qualität zu fertigen.
Eigenschaften
- kompakte Drehdurchführung optimal erhältlich
- schnell ansprechender Klemmmechanismus
- Auch als Einstiegs Baureihe RWE verfügbar
Anwendung
- für die Serienfertigung kleiner Teile
- geeignet für Maschinen mit kompakter Baugröße
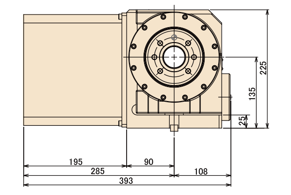
Spezifikationen
| Spezifikationen | Einheit: mm | RWA-160L |
|---|---|---|
| Außendurchmesser der Spindle | ø100 | |
| Tischdurchmesser | ø160 | |
| Mittenhöhe | 135 | |
| Durchlass | ||
| Zentrieraufnahme | ø55H7x45 | |
| Bohrung | ø40 | |
| T-Nuten- breite | 12H8 | |
| Führungsblockbreite | 14h7 | |
| Servomotor (von Fanuc) | αiS2 | |
| Übertragbarer Trägheitsmoment auf Motorwelle | x10-3kg・m2 | 0.09 |
| Nettogewicht | kg | 40 |
| Untersetzungsverhältnis | 1/72 | |
| Maximale Tischdrehzahl | min-1 (Motor: 3,000min-1) |
41.6 |
| Teilgenauigkeit (kumulativ) |
arc sec | 25 |
| Klemmmethode | Pneumatisch | |
| Klemmkraft/0.49MPa pneumatisch | Nm | 500 |
| Zulässige Drehmoment des Schneckenrades | Nm | 206 |
| Maximales Werkstückgewicht | ||
| ・Vertikal (): mit Reitstock | kg | 100(200) |






